海洋之神590

产品分类

CIP洗濯装备系列
返回列表产品咨询

用途及性能:

CIP洗濯系统俗称就地洗濯系统被普遍的用于制药、食物、饮料、乳品、果汁、果浆、果酱、酒类等机械化水平较高的生产企业中。。。 。。。。就地洗濯简称CIP, ,,,,,又称洗濯定位或定位洗濯(cleaning in place)。。。 。。。。就地洗濯是指不必拆开或移动装置, ,,,,,即接纳高温、高浓度的洗净液, ,,,,,对装备装置加以强力作用, ,,,,,把与物料的接触面洗净,对卫生级别要求较严酷的生产装备的洗濯、净化。。。 。。。。

 

特点:

1、CIP洗濯系统能包管一定的洗濯效果, ,,,,,提高产品的清静性;;;;;

2、节约操作时间, ,,,,,提高效率;;;;;节约劳动力, ,,,,,包管操作清静;;;;;

3、节约水、蒸汽等能源, ,,,,,镌汰洗涤剂用量;;;;;

4、生产装备可实现大型化, ,,,,,自动化水平高;;;;;

5、延永生产装备的使用寿命。。。 。。。。

6、全自动CIP洗濯系统, ,,,,,能对洗濯液举行自动检测.加液.排放.显示与调解, ,,,,,对其运行可靠, ,,,,,自动化水平高, ,,,,,操作简朴, ,,,,,洗濯效果好, ,,,,,因而更切合现代大规模流体药品、食物加工工艺的卫生要求及生产情形要求。。。 。。。。

 

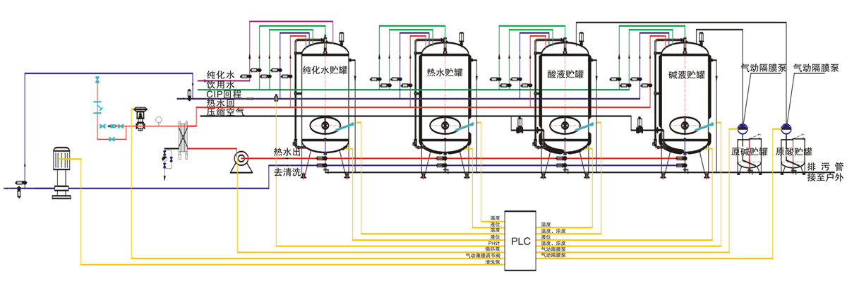
CIP洗濯系统的组成:

清水罐、热水罐、酸液罐、碱液罐、原酸罐、原碱罐、板式换热器、洗濯泵、循环泵、过滤器、气动隔膜泵、酸/碱浓度计、PH计、辖档同接受路和电气控制系统。。。 。。。。

 

种类:分为手动型、半自动型和自动型

 

规格型号及主要手艺参数

参数/规格型号 CIP500 CIP1000 CIP1000 CIP10000
原酸罐容积 (L) 50 80 100 200
原碱罐容积 (L) 50 80 100 200
酸液罐容积 (L) 500 1000 2000 10000
碱液罐容积 (L) 500 1000 2000 10000
热水罐容积 (L) 500 1000 2000 10000
清水罐容积 (L) 500 1000 2000 10000
循环泵 (T/h) 1.5 3.0 5.0 20.0
洗濯泵 (T/h) 3.0 5.0 10.0 20.0
换热器 (m2) 3.0 5.0 7.0 15.0

以上型号仅供参考, ,,,,,可按用户要求举行非标定制

 

海洋之神hy590(中国)最新官方网站

销售热线

0577-8692-2388

传真:0577-86922389

邮箱:sales@wenxiong.com

地点:浙江省温州市永强高新手艺工业园区

Copyright?海洋之神590 All Rights Reserved. 浙ICP备11035023号 联科科技
手艺支持:联科科技

【网站地图】【sitemap】